1800KW柴油发电机组输出柜配置清单及线路图
启动柜是指电动机的起动,柴油发电机组这个发电设备对普通中国人来说不陌生了,但是相信了解的人也不多,都知道柴油发电机是用来发电的。其实,在一个城市里有许多发电机就在我们的身边,例如我们住宅里的电梯吧,如安防系统, 电梯,信息储备,消防安全等,这些都是与大家的生活息息相关的!今天柴油发电机厂家顶博电力给大家介绍柴油发是机组启动柜材料及其图纸。
1800KW柴油发电机组配电柜材料报价明细清单 | |||||
主开关柜 | |||||
序号 | 名称 | 型号规格 | 单位 | 数量 | 厂家 |
1 | 柜体 | GGD 1000*800*2200(宽*深*高) | 台 | 1 | 定制 |
2 | 万能式框架断路器 | MVS 32H 3F202+相间隔板+瞬动失压线圈 MN-AC200-250V | 台 | 1 | 施奈德 |
3 | 电流互感器 | BH-0.66Ⅱ 3000/5 Φ120 0.5级 1匝 | 只 | 3 | 正泰 |
4 | 发电机组控制器 | HGM6110N | 只 | 1 | 众智 |
5 | 直流电源模块 | BAC06A AC220V/DC24V | 只 | 1 | 众智 |
6 | 小型中间继电器 | NXJ24V-4Z1 D | 只 | 4 | 正泰 |
7 | 小型中间继电器 | NXJ-A220V-4Z1 D | 只 | 1 | 正泰 |
8 | 电流表 | 42L6-A,3000/5 | 只 | 3 | 正泰 |
9 | 功率表 | 42L6-KW 3000/5A 380V | 只 | 1 | 正泰 |
10 | 功率因数表 | 42L6-COSφ 380V 5A三相 | 只 | 1 | 正泰 |
11 | 频率表 | 42L6-HZ 45-55HZ/380V | 只 | 1 | 正泰 |
12 | 电压表 | 42L2-V 0~450V | 只 | 1 | 正泰 |
13 | 电压换相开关 | LW5-16YH2/2 | 只 | 1 | 正泰 |
14 | 熔断器 | RT14-20/ 6A | 套 | 5 | 正泰 |
15 | 信号灯 | AD56-22DS/Y,G,R,~220V,黄1,红1,绿1 | 只 | 3 | 国优 |
16 | 按钮 | LAY50-22D-11,1开1闭,红,绿各1 | 只 | 2 | 国优 |
17 | 急停接钮 | 红色 | 只 | 1 | 国优 |
18 | 旋钮 | 黑色 三挡 | 只 | 1 | 国优 |
19 | 主铜排 | TMY-120*10 | 米 | 18 | 国优 |
20 | 主铜排 | TMY-100*10 | 米 | 10 | 国优 |
21 | 零排 | TMY-120*10 | 米 | 0.8 | 国优 |
22 | 接地铜排 | TMY-100*10 | 米 | 0.8 | 国优 |
23 | 绝缘子 | 圆形,红色,>M10 | 只 | 36 | 海坦 |
24 | 配电柜安装人工 | 台 | 1 | ||
25 | 辅材 | 台 | 1 | ||
26 | 运费 | 台 | 1 | ||
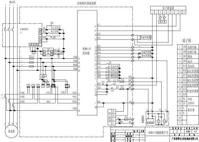
1800KW柴油发电机组启动柜配置图纸
以上信息来由广西发电机组厂家顶博电力(http://www.gxdbdl.com)收集整理, 我公司主营产品有康明斯发电机组、玉柴发电机组、沃尔沃发电机组、帕金斯发电机组、上柴发电机组等,可根据客户需要提供自启动、并机及微机监控等配套设备,静音及移动拖车,我公司的柴油发电机组出口东南亚、非洲、中东等地。热线:13667715899
推荐文章
- 400KW康明斯静音机组,距1米噪音≤75分贝,医院/数据中心首选 2026-04-20
- 解密数据中心、医院、工厂都在抢的500KW玉柴柴油发电机组:凭啥一台机器全能通吃? 2026-04-17
- 广西顶博亮相2026年第139届中国进出口商品交易会(广交会),以创新科技闪耀国际舞台 2026-04-16
- 广西顶博精彩亮相第139届中国进出口商品交易会(广交会) 以硬核电力科技对接全球需求 2026-04-16
- 行业首创1000L可拆卸底座油箱,这台400KW上柴发电机组,欧洲技术,重卡级心脏,供电能力太稳了 2026-04-15
- 可拆卸油箱+50Hz/60Hz通吃全球!这台400KW上柴柴油发电机组,省油、好维护、带载猛 2026-04-15
- 纯铜绕组、H级绝缘、IP23防护:100kw玉柴柴油发电机组,工业用电的务实方案 2026-04-14
- 为关键用电场景选购电力设备:为什么数据中心、医院、工厂的老板都在选这台康明斯550KW发电机组? 2026-04-13
- 医院、银行、数据中心都在用的发电机组:92kW珀金斯静音发机组硬核配置,从容应对每一次断电 2026-04-10
- 百年珀金斯6缸心脏,配斯坦福铜芯,这台92kW珀金斯静音发电机组,静音、省油、智能 2026-04-10






桂公网安备45010702002247